填写表格中的基本细节,以便我们的专家主管应尽快与您联系。所有信息对我们都是安全的!
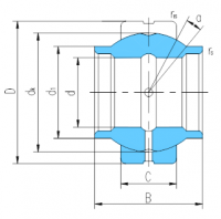
产品型号:GEEW...ES 12~320
滑动磨擦副: 钢/钢
产品特点:内圈两端带伸出圆筒,外圈有一道轴向缝,内、外圈材料均为轴承钢,淬火,磷化,滑动表面涂敷二硫化钼。
使用温度范围:-50℃~+150℃
*仅外圈有润滑槽孔。内径d≥φ15mm,可提供带密封圈的向心关节轴承。