GEEW...ES系列

GEEW25ES

产品型号:GEEW...ES 12­~320

滑动磨擦副: 钢/钢

产品特点:内圈两端带伸出圆筒,外圈有一道轴向缝,内、外圈材料均为轴承钢,淬火,磷化,滑动表面涂敷二硫化钼。

使用温度范围:-50℃­~+150℃


  • GEEW...ES系列
  • GEEW...ES系列

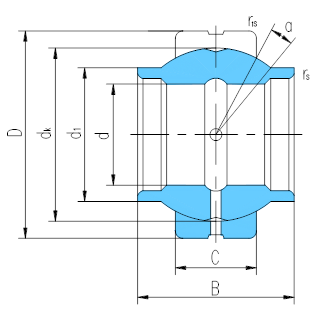
尺寸和参数

轴承型号 :GEEW25ES
外形尺寸mm
D  :25
d: :42
B :25
c :16
d1 max :30.5
dk :35.5
rs min :0.6
r1s min :0.6
α°≈ :4
额定载荷 kN
动载荷 :48
静载荷 :240
重量≈kg :0.124