GX...S系列

GX45S

产品型号:GX…S 10~200

滑动磨擦副: 钢/钢 

产品特点:轴、座圈材料均为轴承钢,淬火,磷化,座圈有润滑油槽油孔,滑动表面涂敷二硫化钼。

使用温度范围:-50℃­~+150℃


  • GX...S系列
  • GX...S系列

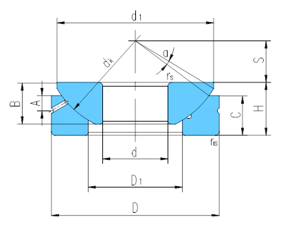
尺寸和参数

轴承型号 :GX45S
外形尺寸 mm
D  :45
d: :120
B :31
c :25.5
H :36.5
dk :128
S :27.5
d1 max :110
D1 min :67
A :11
rs,r1s min :1
α˚ ≈ :6
额定载荷 kN
动载荷 :486
静载荷 :2470
重量 ≈kg :2.24