GEZ...ET-2RS系列

GEZ19ET-2RS

产品编号:GEZ…ET-2RS 19.05~152.4

滑动磨擦副: 钢/PTFE编织物

产品特点:英制自润滑向心关节轴承,外圈有一道轴向缝,两端带有密封圈,材料为轴承钢,淬火,磷化,球面粘贴PTFE编织物;内圈材料为轴承钢,淬火,球面镀硬铬。型号后置代号为XTL,表示外圈沿轴向剖分成两半,用锁圈固定。

使用温度范围:-30℃~+130℃


  • GEZ...ET-2RS系列
  • GEZ...ET-2RS系列

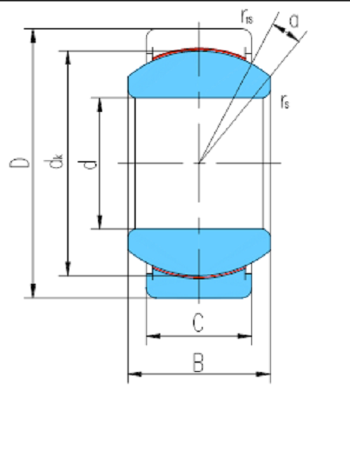
尺寸和参数

轴承型号 :GEZ19ET-2RS
外形尺寸 mm
D  :19.05
d: :31.75
B :16.662
c :14.275
dk :27.5
rs min :0.3
r1s min :0.6
α˚≈ :6
额定载荷 kN
动载荷 :50
静载荷 :117
重量 ≈kg :0.053